BOSCH Netzanschlussleitung | Ersatzteile für GWS 8-100 Z - 3601H315Z0 | 1619P09826
Kan beschikbaarheid voor afhalen niet laden
Over het product
BOSCH Netzanschlussleitung | Ersatzteile für GWS 8-100 Z - 3601H315Z0 | 1619P09826
Artikelnummer: EB-3601H315Z0-1619P09826
Position: 5
Marke: BOSCH
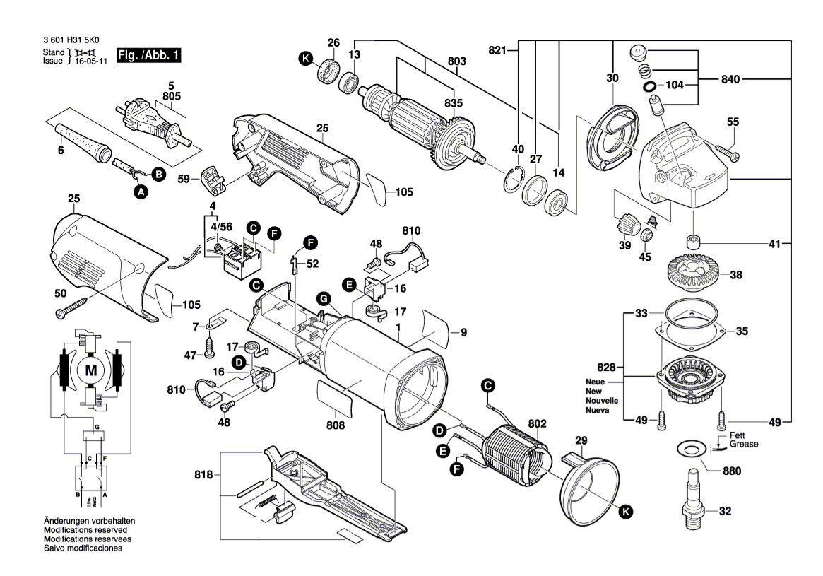
Bitte Kompatibilität prüfen!
Bitte prüfen Sie unbedingt die 10-stellige Typennummer Ihrer Maschine / Ihres Gerätes. Das Ersatzteil ist nur kompatibel, wenn Sie die Typennummer Ihrer Maschine in der unten stehenden Produktbeschreibung finden.
Bitte prüfen Sie ebenfalls detailliert die Explosionszeichnung mit Ihrem Artikelwunsch und der jeweiligen Pos-Nummer.
Alle Elemente, welche vom schwarzen Strich der Pos-Nummer ausgehend berührt / erfasst werden, gehören zu dieser Pos-Nummer und somit zu diesem Artikel. Jede Pos-Nummer ist ein eigenständiger Artikel, welchen Sie in der Auflistung finden.
Sie erhalten stets die aktuellste, neueste Produktversion zu der gewählten Pos-Nummer seitens des Herstellers. Es kann daher je nach Gerätealter vorkommen, dass Sie ggf. weitere, zugehörige Elemente, welche an diese Pos-Nummer grenzen, ebenfalls mittauschen müssen.
